- Інтернет-магазин
- →
- Кріплення для прицілів
- →
- BGN Armo
- →
- серія R 34 мм (середні) Weaver
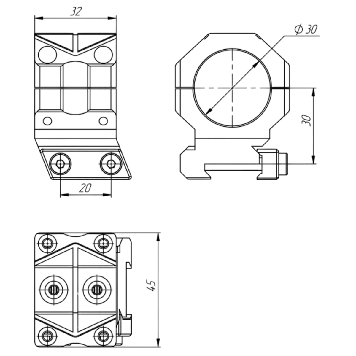
Кільця BGN ARMO серія R 34 мм (середні) Weaver
- Самовивіз з магазину в Києві: Безкоштовно!
( забрати 29.12.2025 ) - Кур'єром по Києву: Безкоштовно!
( доставимо 29.12.2025 ) - Нова Пошта: Безкоштовно!
( відправимо 29.12.2025 )
- При отриманні
- Онлайн-оплата
- Переказ IBAN
- Рахунок на оплату
- Криптовалюта
- 12 місяців (від виробника)
- 14 днів на обмін/повернення
- Бренд: BGN Armo (Україна)
- Код виробника: #R-34.00.34
ОПИС
BGN Armo R — це кільця для кріплення оптичних прицілів, створені для стрільців, які ставлять на перше місце максимальну стабільність і жорсткість фіксації.
Кожне кільце виготовлено фрезеруванням із цільної заготівлі високоякісного авіаційного алюмінієвого сплаву — це поєднання міцності та невеликої маси. Поверхня пройшла процес твердого анодування, отримавши стійке матове чорне покриття, яке не лише захищає від корозії, подряпин і зовнішніх впливів, але й повністю усуває небажані відблиски, що можуть видати позицію стрільця.
Вони розроблені для монтажу на стандартні планки Picatinny/Weaver і сумісні з більшістю сучасних прицілів, які мають центральну трубку діаметром 34 мм. Висота до оптичної осі становить 34 мм, забезпечуючи достатній кліренс для розміщення великих об’єктивів та гарантує зручну прикладку.
Ураховуючи навантаження при стрільбі з потужних калібрів кожне кільце оснащене ефективними стопорами віддачі, який щільно входять в пази планки та виключають поздовжнє зміщення кріплення. Така конструкція дозволяє кільцям витримувати імпульси від мисливських та снайперських калібрів, включно з .308 Win, .358 та .338 Lapua Magnum. Додаткову жорсткість і надійну фіксацію прицілу надає товщина кільця — 32 мм, що створює велику площу контакту з трубою оптики.
Кільця BGN Armo серії R — це оптимальне рішення для високоточної стрільби на середні та далекі дистанції. Їхні переваги — ергономічна висота, надміцний анодований алюмінієвий корпус, збільшена товщина кільця та потужні стопори віддачі — роблять їх надійною основою для будь-якої оптичної системи, забезпечуючи стабільність точки прицілювання навіть в екстремальних умовах експлуатації.
Конструктивні особливості:
- Висота основи - середня
- Кріплення на планку Weaver / Picatinny
- Стопори віддачі
- Витримує калібри: .338 / .308 / .358
- Міцний алюмінієвий сплав
- Анодоване матове покриття
Технічні характеристики:
- Внутрішній діаметр: 34 мм
- Висота оптичної осі: 34 мм
- Товщина кільця: 32 мм
- Ширина кільця: 45 мм
- Матеріал: алюмінієвий сплав
- Тип фіксації: постійна
- Колір: чорний
Комплектація:
- Кільця (2 шт.)
- Гвинти
- Інструкція
ХАРАКТЕРИСТИКИ
| Тип: | кільця |
| База кріплення: | Вівер/Пікатінні |
| Діаметр кілець: | 34 мм |
| Висота: | середня |
| Фіксація на зброї: | постійна |
| Особливість: |
• анодоване покриття • матове покриття • стопор віддачі |
| Матеріал: | алюмінієвий сплав |
Кріплення для прицілів BGN Armo
- Планка BGN ARMO Picatinny 45° 2999грн.
- Планка BGN ARMO Picatinny M-LOK 9 SLOTS 2199грн.
- Планка BGN ARMO Picatinny MNP-43 999грн.
- Планка BGN ARMO Picatinny Rem700 Long Action 2999грн.
- Планка BGN ARMO ДКМ Picatinny H10-S5 1499грн.
- Планка BGN ARMO ДКМ Picatinny H20-S5 1999грн.
- Планка BGN ARMO ДКМ Picatinny H30-S10 2999грн.
- Планка BGN ARMO ДКМ Picatinny H30-S7 2499грн.
- Моноблок BGN ARMO серія ATN 30 мм (середній) винос 68 мм Weaver 13999грн.
- Кріплення для прицілу BGN ARMO серія BTI 7999грн.
- Моноблок BGN ARMO серія M 30 мм (низький) 20 MOA Weaver 13999грн.
- Моноблок BGN ARMO серія M 30 мм (низький) Weaver 13999грн.
- Моноблок BGN ARMO серія M 30 мм (середній) 20 MOA Weaver 13999грн.
- Моноблок BGN ARMO серія M 30 мм (середній) Weaver 13999грн.
- Моноблок BGN ARMO серія M 34 мм (низький) 20 MOA Weaver 13999грн.
- Моноблок BGN ARMO серія M 34 мм (низький) Weaver 13999грн.
- Моноблок BGN ARMO серія M 34 мм (середній) 20 MOA Weaver 13999грн.
- Моноблок BGN ARMO серія M 34 мм (середній) Weaver 13999грн.
- Моноблок BGN ARMO серія M 35 мм (низький) 20 MOA Weaver 13999грн.
- Моноблок BGN ARMO серія M 35 мм (низький) Weaver 13999грн.
- Моноблок BGN ARMO серія M 35 мм (середній) 20 MOA Weaver 13999грн.
- Моноблок BGN ARMO серія M 35 мм (середній) Weaver 13999грн.
- Кільця BGN ARMO серія R 30 мм (низькі) Weaver 9999грн.
- Кільця BGN ARMO серія R 30 мм (середні) Weaver 9999грн.
- Моноблок BGN ARMO серія S 30 мм (середній) 60 MOA Weaver 17999грн.
- Моноблок BGN ARMO серія S 34 мм (середній) 60 MOA Weaver 17999грн.
- Моноблок BGN ARMO серія S 35 мм (середній) 60 MOA Weaver 17999грн.
- Моноблок BGN ARMO серія VL 30 мм (високий) винос 48.4 мм Weaver 15999грн.
- Моноблок BGN ARMO серія VL 30 мм (високий) винос 48.4 мм, 20 MOA Weaver 15999грн.
- Моноблок BGN ARMO серія VL 30 мм (середній) винос 48.4 мм Weaver 15999грн.
- Моноблок BGN ARMO серія VL 30 мм (середній) винос 48.4 мм, 20 MOA Weaver 15999грн.
- Моноблок BGN ARMO серія VL 34 мм (високий) винос 48.4 мм Weaver 15999грн.
- Моноблок BGN ARMO серія VL 34 мм (високий) винос 48.4 мм, 20 MOA Weaver 15999грн.
- Моноблок BGN ARMO серія VL 34 мм (середній) винос 48.4 мм Weaver 15999грн.
- Моноблок BGN ARMO серія VL 34 мм (середній) винос 48.4 мм, 20 MOA Weaver 15999грн.

Напишіть перший!